Stub Mandrel Posted August 27, 2020 Posted August 27, 2020 (edited) 50 minutes ago, mcnach said: On 24/08/2020 at 18:45, Stub Mandrel said: I wouldn't want to run that amp hard with passive cooling. If it's designed properly to be cooled passively, it should not matter. I'm assuming it's the same 300W unit in my TE amp of similar date, which has an always-on (but actually rather quiet) fan. <edit> Yep, the SMX series have a 12V fan Edited August 27, 2020 by Stub Mandrel Quote
PaulWarning Posted August 27, 2020 Posted August 27, 2020 2 hours ago, Stub Mandrel said: I'm assuming it's the same 300W unit in my TE amp of similar date, which has an always-on (but actually rather quiet) fan. <edit> Yep, the SMX series have a 12V fan I thought SMX referred to the preamp not the power amp, my SMX AH200 has a heatsink Quote
ahpook Posted August 27, 2020 Posted August 27, 2020 1 minute ago, PaulWarning said: I thought SMX referred to the preamp not the power amp, my SMX AH200 has a heatsink Yes, my GP12SMX 250 only has a heatsink Quote
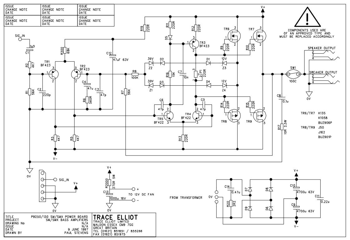
Stub Mandrel Posted August 27, 2020 Posted August 27, 2020 Interesting, but it's clear Trace changed things lots. That diagram is marked SMX Power Board and is dated '97. I think my amp is older than that as it has a GP11 preamp. Quote
wildebassman Posted August 28, 2020 Posted August 28, 2020 Amps with no fans, I played and liked; Trickfish Bullhead .5 and Epifani UL901, lots of power too. I currently have a Markbass LM3 with a very silent fan that never bothers me even when I am playing in a small room at low volume. Quote
Stub Mandrel Posted August 28, 2020 Posted August 28, 2020 2 hours ago, wildebassman said: Amps with no fans If an amp has no fans, you have to ask 'why is it so unpopular?' 🤣 Quote
Deedee Posted August 28, 2020 Posted August 28, 2020 All the larger SMX heads had cooling fans (350/400/600 etc). The AH250 SMX models (later called 280/300) originally had heat sinks fitted but then TE started fitting fans instead. As has been mentioned, TE did seemingly chop and change and use whatever was available to them. I've had several 250 SMX heads appearing to be from the same era (i.e. the continuous line around the fascia) and some had heatsinks and some had fans. I prefer the heatsink purely as that's the type I had first and fell in love with. 😍 1 Quote
Chienmortbb Posted August 28, 2020 Posted August 28, 2020 (edited) @agedhorse is correct on most counst as usual. Fans are a necessary evil if you want a lightweight amp or to get the most from a ligtweight Class D power module. I cannot remember where I saw it but I am sure I read that a heatsink can be 1/4 the size if fan cooled. Be aware though that fab cooling does rely, to some extent, on tutbulent air within the heatsink fins and that can cause noise. The best idea is for a fan to turn on at a predetermine temperature, one that is only reached at gigging volumes. Edited August 28, 2020 by Chienmortbb 2 Quote
agedhorse Posted August 28, 2020 Posted August 28, 2020 On 27/08/2020 at 04:04, mcnach said: If it's designed properly to be cooled passively, it should not matter. The problem with passive cooling as the power levels increase is that the size of the amp will grow to accommodate the space needed for passive cooling compared with fan assisted cooling. I have designed amps with both types of cooling and I know firsthand the challenges involved. 1 Quote
mcnach Posted August 28, 2020 Posted August 28, 2020 3 hours ago, agedhorse said: The problem with passive cooling as the power levels increase is that the size of the amp will grow to accommodate the space needed for passive cooling compared with fan assisted cooling. I have designed amps with both types of cooling and I know firsthand the challenges involved. I simply meant that if an amplifier has been designed to be cooled properly by whatever method, then it should not matter what method that is. Or in other words, if your amplifier is cooled passively, you should not need to worry about it (assuming it's been designed properly). I was not trying to say that passive cooling rules... certainly not to you, of all people! Quote
fretmeister Posted August 28, 2020 Posted August 28, 2020 The Phil Jones amps don’t have fans. Ive often wondered about picking up a D400 purely as a power amp for my helix. Just an idea... could an amp be built with a fan defeat switch where that defeat limits the max volume. Like a safety feature making it sure it cannot o too loud / hot. So don’t let it overheat and shut down, but actually limit the power of the amp when the fan is off - just won’t get any louder no matter how the controls are set if the fan is defeated? Quote
agedhorse Posted August 29, 2020 Posted August 29, 2020 5 hours ago, mcnach said: I simply meant that if an amplifier has been designed to be cooled properly by whatever method, then it should not matter what method that is. Or in other words, if your amplifier is cooled passively, you should not need to worry about it (assuming it's been designed properly). I was not trying to say that passive cooling rules... certainly not to you, of all people! I was just pointing out WHY fan cooling often becomes the better choice if the size of the amp has anything to do with your choice for an amp. 1 Quote
Stub Mandrel Posted August 29, 2020 Posted August 29, 2020 19 hours ago, fretmeister said: The Phil Jones amps don’t have fans. Ive often wondered about picking up a D400 purely as a power amp for my helix. Just an idea... could an amp be built with a fan defeat switch where that defeat limits the max volume. Like a safety feature making it sure it cannot o too loud / hot. So don’t let it overheat and shut down, but actually limit the power of the amp when the fan is off - just won’t get any louder no matter how the controls are set if the fan is defeated? It is possible to design amps with Safe Operating ARea Protection - SOAR - that limit their output if they start to overheat, so they run louder and longer with better cooling. In practice I've only come across this on integrated amps - much easier to design with all the sensing components on the same chip. It would surprise me if compact class-D amps don't do this. It can also allow an amp to output brief amounts of headline grabbing power taht it can't handle continuously. Worth remembering that the PSU needs to keep up as well and if its a high-power SMPSU it will probably need forced cooling. (On which point these days most computer PSUs are virtually silent so why aren't amps?) Quote
agedhorse Posted September 1, 2020 Posted September 1, 2020 On 29/08/2020 at 12:20, Stub Mandrel said: It is possible to design amps with Safe Operating ARea Protection - SOAR - that limit their output if they start to overheat, so they run louder and longer with better cooling. In practice I've only come across this on integrated amps - much easier to design with all the sensing components on the same chip. It would surprise me if compact class-D amps don't do this. It can also allow an amp to output brief amounts of headline grabbing power taht it can't handle continuously. Worth remembering that the PSU needs to keep up as well and if its a high-power SMPSU it will probably need forced cooling. (On which point these days most computer PSUs are virtually silent so why aren't amps?) This wouldn't be SOAR protection (in the classic or traditional sense of the approach), SOAR doesn't track temperature, the limits need to be calculated and designed around the design thermal limit. There are some unique thermal limiting circuits, a particularly effective (but very intrusive) one is a combination of SOAR with the addition of thermal feedback that operates on almost a cycle by cycle basis at low frequencies developed by National Semiconductor called SPiKe, (Self Peak Instantaneous Temperature Ke ), the Ke is an abbreviation for a thermal element in the equation algorithm. It was used on some integrated amplifier IC's. It is a way of decreasing the current limit as temperature of the die increases. It's purely a protection mechanism, it induces nasty current clipping into a reactive load. There are other approaches too, some of which feed back thermal information that lowers the threshold of a more conventional limiter circuit, and some that (in the case of an SMPS) feed back thermal information that will reduce the main supply rail voltages. The limiter approach is pretty common with class D amps, especially those using DSP because it can all be integrated in software. Another approach that many lateral MOSFET amps use is the natural behavior of the device itself, where as the current through the device (and the temperature of the device) increases, Vgs also increases which reduces the rated power that's possible. This is a VERY complicated subject with a LOT of highly technical details and math involved to make it work well. The simpler it appears, the more difficult it actually is in practice. Quote
Stub Mandrel Posted September 2, 2020 Posted September 2, 2020 11 hours ago, agedhorse said: This wouldn't be SOAR protection (in the classic or traditional sense of the approach), SOAR doesn't track temperature, the limits need to be calculated and designed around the design thermal limit. True... I had in mind the venerable and almost indestructible TDA2030 which I see has "short circuit protection, thermal shutdown and SOAR protection". Quote
Stub Mandrel Posted September 2, 2020 Posted September 2, 2020 (edited) 11 hours ago, agedhorse said: Another approach that many lateral MOSFET amps use is the natural behavior of the device itself, where as the current through the device (and the temperature of the device) increases, Vgs also increases which reduces the rated power that's possible. I wasn't going to go there as of recently I've learned that it's a rather nuanced effect so careful design is needed for it to work (as your comments imply). Edited September 2, 2020 by Stub Mandrel Quote
Chienmortbb Posted September 2, 2020 Posted September 2, 2020 (edited) 4 minutes ago, Stub Mandrel said: True... I had in mind the venerable and almost indestructible TDA2030 which I see has "short circuit protection, thermal shutdown and SOAR protection". The good old TDA2030, I designed a number of specialist amps with those in the 70s/80s. Edited September 2, 2020 by Chienmortbb smellin mistakes Quote
Stub Mandrel Posted September 2, 2020 Posted September 2, 2020 6 hours ago, Chienmortbb said: The good old TDA2030, I designed a number of specialist amps with those in the 70s/80s. I made a hifi amp using two as a teenager in the 70s. It impressed my peers 🙂 Filled with nostalgia I have many of the bits (including the power transformer - an RS kit - I wound the secondary by hand!) and have accumulated some more and will be making a new version at some point in the future Quote
agedhorse Posted September 3, 2020 Posted September 3, 2020 For small amps it's almost impossible to beat the performance of the TDA-2050 without spending a LOT more, but it looks like these are all going by the wayside in favor of integrated class D IC based amps. Look ma, no heatsink! There were a lot of cool tricks that could be done with the TDA series too, even paralleling a couple or 3 to drive a 2 ohm load! Paralleling took a good bit of effort to insure stability, and there was also the bridged parallel set-up that could get might impressive power into a 4 ohm load (close to 100 watts IIRC). All of that's now water under the bridge. Quote
Chienmortbb Posted September 3, 2020 Posted September 3, 2020 4 hours ago, agedhorse said: For small amps it's almost impossible to beat the performance of the TDA-2050 without spending a LOT more, but it looks like these are all going by the wayside in favor of integrated class D IC based amps. Look ma, no heatsink! There were a lot of cool tricks that could be done with the TDA series too, even paralleling a couple or 3 to drive a 2 ohm load! Paralleling took a good bit of effort to insure stability, and there was also the bridged parallel set-up that could get might impressive power into a 4 ohm load (close to 100 watts IIRC). All of that's now water under the bridge. You bring back some memories there @agedhorse. I was designing for use in Aircraft and the big problem there was keeping 400Hz out of thr audio chain, as airccraft use 110v 400Hz for the mains. It made for tiny transformers but any residual 400Hz on the audio was far more trouble as the ear is much more sensitive at 400Hz than 50 or 60Hz. Quote
agedhorse Posted September 5, 2020 Posted September 5, 2020 On 03/09/2020 at 01:34, Chienmortbb said: You bring back some memories there @agedhorse. I was designing for use in Aircraft and the big problem there was keeping 400Hz out of thr audio chain, as airccraft use 110v 400Hz for the mains. It made for tiny transformers but any residual 400Hz on the audio was far more trouble as the ear is much more sensitive at 400Hz than 50 or 60Hz. For 400Hz power supplies, noise can enter through the power supply, through the inductive effects of then magnetic field of the transformer or from the effects due to ground loops. Sometimes, bridging topologies can be beneficial because IF you can get the noise to be common mode, much of that can be rejected because the noise falls in a band where the CMMR of most op-amps (including power op-amps) is the highest. The parent company of Genz Benz (one of the companies I designed for) was part of Kaman Aerospace (K-Max high lift helicopters and other aerospace subassemblies) so there were a lot of exposure to resources that revolved around electrical noise control in 400Hz environments. Quote
Chienmortbb Posted September 5, 2020 Posted September 5, 2020 8 hours ago, agedhorse said: For 400Hz power supplies, noise can enter through the power supply, through the inductive effects of then magnetic field of the transformer or from the effects due to ground loops. Sometimes, bridging topologies can be beneficial because IF you can get the noise to be common mode, much of that can be rejected because the noise falls in a band where the CMMR of most op-amps (including power op-amps) is the highest. The parent company of Genz Benz (one of the companies I designed for) was part of Kaman Aerospace (K-Max high lift helicopters and other aerospace subassemblies) so there were a lot of exposure to resources that revolved around electrical noise control in 400Hz environments. I found ground loops tp be the biggest probelm. Neutral on an aircraft is connected to the aluminium chassis of an aircraft and I found that the most troublesome. We would often house the power supply in a separate shielded enclosure. Quote
agedhorse Posted September 6, 2020 Posted September 6, 2020 16 hours ago, Chienmortbb said: I found ground loops tp be the biggest probelm. Neutral on an aircraft is connected to the aluminium chassis of an aircraft and I found that the most troublesome. We would often house the power supply in a separate shielded enclosure. Where the return currents travel through the aluminum structure, there are voltage gradients all over the plane and no uniform ground reference. These voltage gradients factor into amplifier design too, we want to eliminate as many paths of current (both conducted and induced) in the amp's chassis through the use of star ground networks. The same applies to PCB layouts, every trace is a resistor and as the frequencies increase (SMPS and class D) every trace is also an inductor and capacitor. Quote
Recommended Posts
Join the conversation
You can post now and register later. If you have an account, sign in now to post with your account.